JC Crane - Somos especialistas em soluções sob medida para elevação e movimentação de carga, atuamos no mercado nacional fabricando equipamentos robustos e seguros.

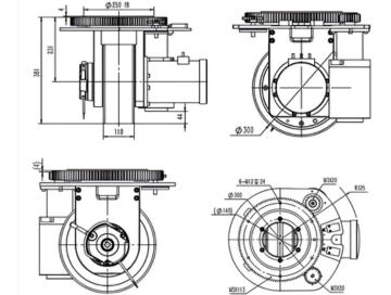
AGV com Direção

  • Kit de automação para AGV;
  • Trifasico e Corrrente Continua;
  • A Bateria e Hidráulico;
  • Fabricação e projero conforme NBR 8400;
  • Elétrica e Roda Motorizada.

Especificações técnicas

Benefícios

Segurança operacional

Permite a automação de tarefas de transporte repetitivas e previsíveis, reduzindo a necessidade de intervenção humana.

Produtividdae local

A integração da direção e da tração em uma única unidade permite um controle de movimento mais ágil, ideal para espaços confinados em armazéns e linhas de produção.

Aplicações e cenário de uso do AGV com Direção Elétrica e Roda Motorizada

Utilizado em uma ampla gama de AGVs, desde veículos de transporte unitário até plataformas pesadas com capacidade de carga de várias toneladas.